نظرة عامة على المشروع
توثق هذه الحالة توريدنا الناجح لثلاث مجموعات منرافعة علوية أوروبية-عارضة واحدةمجموعات إلى شركة تصنيع معدات ميكانيكية ألمانية في مارس 2025. بصفته مصنعًا محليًا لمعدات الرافعات، طلب العميل مكونات رئيسية كاملة ورسومات فنية دقيقة لتمكين التصنيع المستقل للحزم الرئيسية مع الحفاظ على معايير الجودة الأوروبية.
اسم المشروع: 3 مجموعات من مشروع مجموعات الرافعات العلوية الأوروبية
تاريخ الانتهاء: مارس 2025

معلومات العميل
| غرض | تفاصيل |
|---|---|
| دولة | ألمانيا |
| صناعة | تصنيع المعدات الميكانيكية |
| نوع العميل | الشركة المصنعة لمعدات الرافعات المحلية |
| كمية | 3 مجموعات |
مواصفات المنتج
اسم المنتج: مجموعة الرافعات العلوية ذات العارضة الأوروبية الفردية-
مواصفات الرافعة
- قدرة الرفع المقدرة: 5t
- الطبقة العاملة: M5
- سرعة الرفع: 0.8/5 م/دقيقة (سرعة مزدوجة)
- سرعة السفر العملاقة: 0-32 م / دقيقة (العاكس)
- سرعة سفر العربة: 0-20 م/دقيقة (العاكس)
- مقياس العربة/عرض الشعاع الرئيسي: قابل للتخصيص
- نموذج المسار القنطري: فولاذ مربع 50 مم × عرض الحافة مم
- وضع اتصال الرافعة: اتصال جانبي
- نموذج الرافعة الكهربائية: KH3104
- مصدر الطاقة: 400 فولت، 50 هرتز، 3 مراحل، جهد التحكم 48 فولت
- العلامة التجارية لجهاز التحكم عن بعد: Omron (الإنجليزية/الأسهم فقط)
- ماركة التحكم المحمولة: التكوين القياسي
- المكونات الكهربائية: Schneider/ABB/Siemens (العلامات التجارية الدولية من الدرجة الأولى-فقط)
- طريقة توصيل الطاقة: Inovance
- صندوق مختوم: تايوان/البولي يوريثين/Yingshuo
قائمة المكونات
1. نظام الرافعة الرئيسي
- رافعة بعارضة واحدة -أوروبية (مجموعة واحدة)
- نهاية النقلDH14-27 (مجموعة واحدة)
- محرك السفر العملاقة5.5 كيلو واط × 2 (وحدتان)
- جلبة الجسر (مجموعة واحدة)
- خزانة الرافعة الكهربائية كاملة (وحدة واحدة)
- ج-اكتملت السكك الحديدية والكابلات (مجموعة واحدة)
- جهاز التحكم بالضغط على زر التحكم عن بعد اللاسلكي (وحدة واحدة)
2. نظام السكك الحديدية موصل
- موصل السكك الحديدية HFP56-4-15/80 (60.00 متر)
- المجمع الحالي 56JD-4/25 (6.00 قطعة)
- رافعة الجر 56BC/53 (6.00 قطعة)
- قوس رقم 2 (50.00 جذور)
- مشبك التثبيت 56DJ-1 (50.00 جذور)
- توصيل مشترك 56LJ-1 (15.00 زوجًا)
- نوع الغطاء النهائي 1 56DM (قطعة واحدة)
- نوع الغطاء النهائي 2 56DG (1.00 قطعة)
تحديات المشروع
متطلبات العلامة التجارية الصارمة: حدد العميل فقط العلامات التجارية الدولية للمكونات الكهربائية من الدرجة الأولى (Schneider وABB وSiemens)، باستثناء العلامات التجارية الصينية مثل Delixi
قيود اللغة: أنظمة التحكم تتطلب اللغة الإنجليزية أو مؤشرات الأسهم فقط؛ لا يسمح بالملصقات الصينية
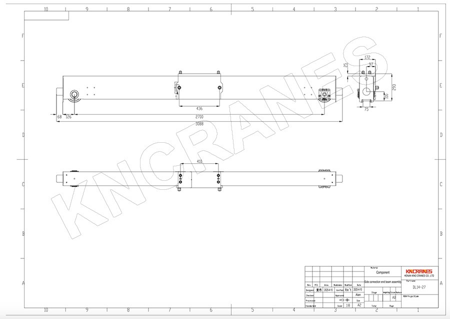
التكامل الفني: توفير مجموعات كاملة مع تمكين تصنيع الشعاع الرئيسي المستقل للعميل
معايير الجودة: تلبية معايير سلامة وأداء الرافعات الأوروبية للسوق الألمانية
الحلول
اختيار المكونات المتميزة: المكونات الكهربائية المستخدمة من شنايدر في جميع الأنحاء، وأجهزة التحكم عن بعد من أومرون مع واجهة باللغة الإنجليزية
الحزمة الفنية الكاملة: تقديم رسومات فنية دقيقة ووثائق التجميع
التكوين المخصص: وصلة رافعة مخصصة (توصيل جانبي) ونظام كهربائي (توصيل طاقة Inovance) حسب متطلبات العملاء
ضمان الجودة: جميع المكونات مصدرها تايوان أو الموردين المعتمدين (صناديق مختومة من تايوان/البولي يوريثين/Yingshuo)
التسليم والتركيب
المرحلة الأولى: تحليل المتطلبات
- المواصفات الفنية المؤكدة ومتطلبات العلامة التجارية
- معلمات الأبعاد التي تم التحقق منها لتصنيع الشعاع الرئيسي للعميل
المرحلة الثانية: إعداد المجموعة
- شراء مكونات كهربائية متميزة (شنايدر، أومرون)
- نظام الرافعة الرئيسي ونظام السكك الحديدية الموصلة
- تم إعداد الوثائق والرسومات الفنية الكاملة
المرحلة 3: تسليم الوثائق الفنية
- رسومات التجميع التفصيلية والأدلة الفنية
- أدلة تركيب المكونات ومخططات الأسلاك
- إرشادات السلامة وإجراءات التكليف
المرحلة 4: دعم التثبيت عن بعد
- التنسيق الفني لعملية التجميع
- إرشادات الفيديو لخطوات التثبيت الهامة
- دعم استكشاف أخطاء التثبيت وإصلاحها
المرحلة الخامسة: التكليف والتدريب
- التحقق من التشغيل عن بعد واختباره
- التدريب التشغيلي للفريق الفني للعميل
- القبول النهائي وتوثيق المشروع
نتائج المشروع
نتائج الأداء
- تم تسليم وتشغيل 3 مجموعات من 5 طن بنجاحرافعة علوية أوروبيةمجموعات
- جميع المكونات تلبي متطلبات العلامة التجارية والجودة الصارمة للعميل
- نجح العميل في تصنيع العوارض الرئيسية باستخدام الرسومات الفنية المقدمة
رضا العملاء
- الامتثال الكامل لمعايير الجودة الأوروبية
- تجاوزت المكونات الكهربائية المتميزة توقعات الأداء
- أتاحت الوثائق الفنية التصنيع المستقل السلس
الفوائد التشغيلية والتجارية
- تعزيز استقلالية التصنيع مع حل المجموعة الكاملة
- أداء موثوق به مع الطبقة العاملة M5 للتطبيقات كثيرة المتطلبات
- تم تقليل تكاليف الدعم الاحترافي عن بعد-لهندسة الموقع
- تعزيز مكانتها في السوق في قطاع تصنيع الرافعات الأوروبي
مزايا الخدمة
1. مصادر المكونات المتميزة
العلامات التجارية العالمية-من الدرجة الأولى (Schneider، وOmron، وABB، وSiemens) للوفاء بمعايير الجودة الأوروبية الصارمة.
2. استكمال الوثائق الفنية
تمكين التصنيع المستقل من خلال رسومات دقيقة وأدلة التجميع ومخططات الأسلاك.
3. الدعم الاحترافي عن بعد
أدت التوجيهات عبر الفيديو واستكشاف الأخطاء وإصلاحها-في الوقت الفعلي إلى تقليل التكاليف الباهظة على-هندسة الموقع.
مزايا المنتج
- تصميم قياسي أوروبي بأداء فائق وطبقة عمل M5
- تضمن المكونات الكهربائية المتميزة الموثوقية والسلامة
- تكوينات مرنة للتطبيقات الصناعية المتنوعة
- يعمل حل المجموعة الكاملة على تقليل تكاليف الشراء مع الحفاظ على الجودة








